UTGÅENDE MODELL
För nykonstruktioner rekommenderar vi den tekniskt optimerade e-kedjeserien 14040 ur igus® E4/light-program.
+25% mer ostöttad längd, högre stabilitet och draghållfasthet, samma dimensioner och anslutningsmått
Serie 143 lagerförs i begränsad omfattning. Produktsupporten och lagerhållningen kommer att begränsas från år 2012. Om du har frågor kring detta, var god vänd dig till din igus® kontaktperson. Tack för din förståelse
till E4/light serien 14340
Här kan du konfigurera ditt E-kedjesystem individuellt. Alla uppgifter och ändringar läggs till i stycklistan, som finns längst ner på sidan.
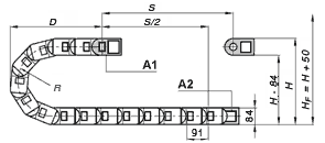
Serie 143 - E-kedja med tvärslåar i varannan länk.
1. KMA-monteringsfästen med fästmöjlighet "runt om"
2. Monteringsfästena finns i styvt eller pendlande utförande
3. Optimerat förhållande mellan innermått och yttermått
4. Dragavlastande detaljer kan integreras
5. Tvärslåarna kan tas ut på båda sidor
Levererbara innerbredder Bi: 50 till 400 mm
Levererbara böjningsradier R: 135 till 500 mm
delning: 91 mm per länk = 11 länkar/m