UTGÅENDE MODELL
För nya konstruktioner rekommenderar vi den tekniskt optimerade e-kedjeserien 2500 från igus® E2/000 program.
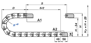
Öppningsslåarna sitter stabilt, förbättrad öppningsprincip, större ostöttade längder, samma mått
Serie 25 lagerförs i begränsad omfattning. Produktsupporten och lagerhållningen kommer att begränsas från år 2012. Om du har frågor kring detta, var god vänd dig till din igus® kontaktperson. Tack för din förståelse
till E2/000 serie 2500
Här kan du konfigurera ditt E-kedjesystem individuellt. Alla uppgifter och ändringar läggs till i stycklistan, som finns längst ner på sidan.