UTGÅENDE MODELL
För nykonstruktioner rekommenderar vi den tekniskt optimerade e-kedjeserien H4.32 ur igus® E4.1 byggsats.
+25% mer ostöttad längd, högre stabilitet och draghållfasthet, samma dimensioner och anslutningsmått
Serie 51 lagerförs i begränsad omfattning. Produktsupporten och lagerhållningen kommer att begränsas från år 2012. Om du har frågor kring detta, var god vänd dig till din igus® kontaktperson. Tack för din förståelse
till serien H4.80
Här kan du konfigurera ditt E-kedjesystem individuellt. Alla uppgifter och ändringar läggs till i stycklistan, som finns längst ner på sidan.
Serie 51 - E-kedja med tvärslåar i varannan länk.
1. KMA-monteringsfästen
2. Monteringsfästena finns i styvt eller pendlande utförande
3. R98: Sväng- och uttagbara lock
4. R98: Uttagbara hyllor
5. Rör och kedja kan kombineras
6. Dragavlastningselement kan integreras
7. 50/51: Tvärslåarna kan lossas på båda sidor.
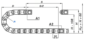
Tillgängliga innerbredder: 50 till 600 mm
Tillgängliga böjningsradier: 150 till 1000 mm
Delning: 91 mm per länk = 11 länkar/m