igus-icon-lupe
igus-icon-lupe
igus-icon-lupe
1 av 3
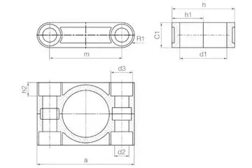
- Dimensional series: E following DIN ISO 12240
- Housing material: iglidur® GLW
- Static loads up to 4 tons
- Split pillow block bearing for diameters up to 150 mm
- Reduce assembly time by up to 50%
igus-icon-lieferzeitESTM-GT150
150
