Ändra språk :

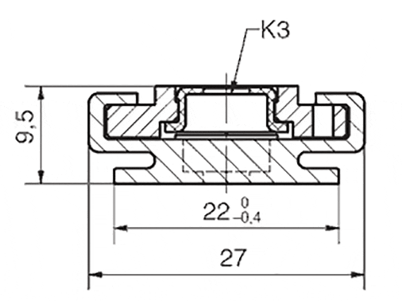
De platta styrningarna drylin N är idealiska för applikationer med små installationsutrymmen, eftersom de erbjuder systemhöjder på 6 till 12 mm. De små dimensionerna möjliggör också en effektiv energi- och utsläppsförbrukning samt transportabla systemlösningar. Den platta styrningen imponerar med sin höga produktions- och materialkvalitet. Själva produkten uppnår alla kvaliteter med ett minimum av komponenter. Det innebär att installationen går snabbt och att underhållet är så problemfritt som möjligt.

Övertyga dig själv om våra drylin N flat guides med vår provlåda.
Begär provlåda
10 besparingspotentialer som kan spara dig onödiga kostnader med drylin linjärlager.
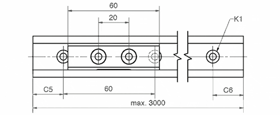
Ladda ner whitepaperPlatsbesparande design med en totalhöjd på 9-12 mm.
Tack vare den lätta och energieffektiva konstruktionen av den platta styrningen.
Justering och positionering är enkelt tack vare definierade förskjutningskrafter.
Fjäderförspänningen av slider och glidelement säkerställer tyst gång.
På grund av övergjutna glidskenor (glidskena och glidelement med fast förband).
Flera diabilder kan undvikas genom att använda dubbla diabilder.

Prismatiska guider

SLN plattstyrning med spindel

Personligen::
Måndag – fredag: 8:00 – 18:00