Vänligen välj din leveransort

Valet av landssida kan påverka olika faktorer som t.ex. pris, möjliga leveranssätt och produkttillgänglighet.
Min kontaktperson
igus® AB

Berga Allé 1

254 52 Helsingborg

+46 42 329270
+46 42 211585
SE(SV)

SHTP-FF linjärbord med snabblås

SHTP-linjärbord med snabblåsmekanism erbjuder en kombination av exakt positionering och snabb manuell justering.

lätt helplastutförande

För brådskande formatjusteringar

Bromsas genom självhämning inkl.

valfria slaglängder

rekommenderas endast för horisontella applikationer

max. stat. axiallast 200 N

max. dyn. axiallast 50 N

SHTP-FF

Passar till dessa artiklar:


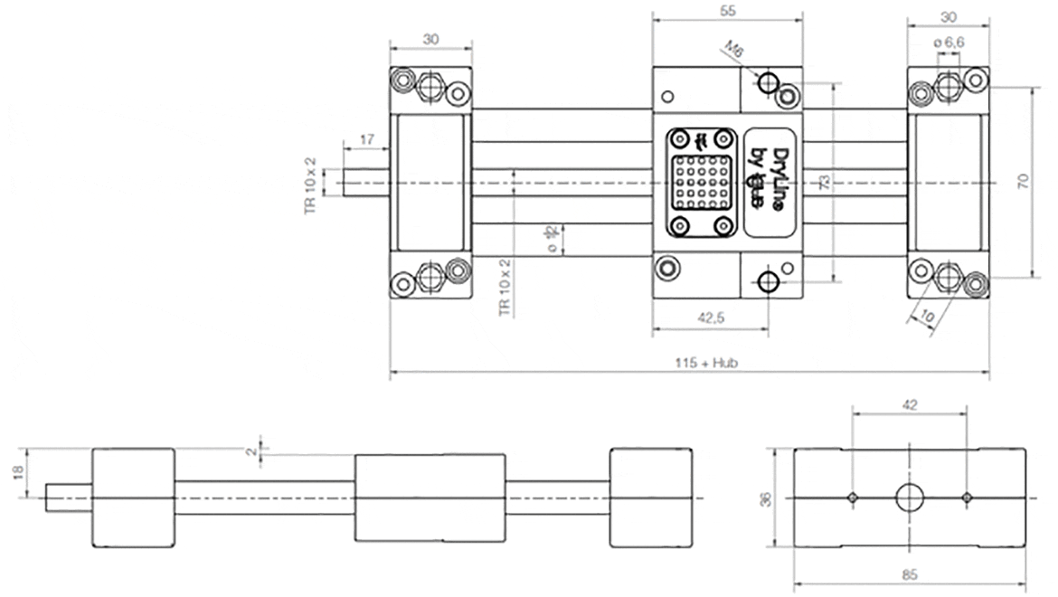
Art.-Nr. A Al H E1 E2 E3 l R f lt tk ts kt
  -0,3 -0,3   ±0,15 ±0,15 ±0,15 [mm] [mm] [mm] ±0,1 ±0,1    
Redo att skickas inom 10 arbetsdagar från lager i Köln SHTP-01-12-AWM-FF (1) 85 55 36 70 73 42,5 115 42 2 30 10 6,6 0
Mer om den valda delen:
3D-CAD 3D-CAD
Provbeställning Provbeställning
PDF PDF
prisförfrågan prisförfrågan
myCatalog myCatalog

(1) glidfolie och trapetsgängad mutter av iglidur® J

Art.-Nr. sg d T l2 d2* ha Max.
slaglängd
Vikt Extra vikt

   
          standard   [mm] [kg] per 100 mm    
Redo att skickas inom 10 arbetsdagar från lager i Köln SHTP-01-12-AWM-FF (1) M6 12 TR10x2 17 TR10x2 18 500 0,35 0,11 på förfrågan Lägg i varukorg
Mer om den valda delen:
3D-CAD 3D-CAD
Provbeställning Provbeställning
PDF PDF
prisförfrågan prisförfrågan
myCatalog myCatalog

(1) glidfolie och trapetsgängad mutter av iglidur® J

Mer information:


Passar till dessa artiklar:

Redo att skickas inom 5 arbetsdagar från lager i Köln drylin® E – produktöversikt

Den konsekventa vidareutvecklingen av byggsats- och systemtanken hos den smörjfria drylin® linjärtekniken

Redo att skickas inom 5 arbetsdagar från lager i Köln
Redo att skickas inom 10 arbetsdagar från lager i Köln

Rådgivning

Jag besvarar gärna dina frågor även personligen

Frakt och konsultation

Personligen:

Måndag till fredag från 08.00 till 16.30.
Lördagar från 08.00 till 12.00.

Online:

24h


Termerna "Apiro", "AutoChain", "CFRIP", "chainflex", "chainge", "chains for cranes", "ConProtect", "cradle-chain", "CTD", "drygear", "drylin", "dryspin", "dry-tech", "dryway", "easy chain", "e-chain", "e-chain systems", "e-ketten", "e-kettensysteme", "e-loop", "energy chain", "energy chain systems", "enjoyneering", "e-skin", "e-spool", "fixflex", "flizz", "i.Cee", "ibow", "igear", "iglidur", "igubal", "igumid", "igus", "igus improves what moves", "igus:bike", "igusGO", "igutex", "iguverse", "iguversum", "kineKIT", "kopla", "manus", "motion plastics", "motion polymers", "motionary", "plastics for longer life", "print2mold", "Rawbot", "RBTX", "readycable", "readychain", "ReBeL", "ReCyycle", "reguse", "robolink", "Rohbot", "savfe", "speedigus", "superwise", "take the dryway", "tribofilament", "tribotape", "triflex", "twisterchain", "when it moves, igus improves", "xirodur", "xiros" och "yes" är rättsligt skyddade varumärken som tillhör igus® GmbH/Köln i Förbundsrepubliken Tyskland och i förekommande fall i vissa andra länder. Detta är en icke uttömmande lista över varumärken (t.ex. pågående varumärkesansökningar eller registrerade varumärken) som tillhör igus GmbH eller igus dotterbolag i Tyskland, Europeiska unionen, USA och/eller andra länder eller jurisdiktioner.

igus® GmbH hänvisar till att vi inte säljer några produkter från företagen Allen Bradley, B&R, Baumüller, Beckhoff, Lahr, Control Techniques, Danaher Motion, ELAU, FAGOR, FANUC, Festo, Heidenhain, Jetter, Lenze, LinMot, LTi DRiVES, Mitsibushi, NUM, Parker, Bosch Rexroth, SEW, Siemens, Stöber och alla andra drivenhetstillverkare som nämns på denna webbplats. De produkter som igus® erbjuder är produkter från igus® GmbH