Vänligen välj din leveransort

Valet av landssida kan påverka olika faktorer som t.ex. pris, möjliga leveranssätt och produkttillgänglighet.
Min kontaktperson
igus® AB

Berga Allé 1

254 52 Helsingborg

+46 42 329270
+46 42 211585
SE(SV)

Förbättra tekniken och sänk kostnaderna med 25 % och ännu mer.

drylin® SLW linjärmoduler… 7 storlekar, individuellt konfigurerbara, levererbara inom 2 - 4 dagar

Glider istället för att rulla! Smörjfria tack vare dry-tech® polymerer

igus® SLW linjärmoduler bygger på linjärbyggsatsen drylin® W och de högpresterande underhållsfria och självsmörjande dry-tech® plasterna. Tack vare den inbyggda smörjningen i lagermaterialet är lagren konstruerade för en varaktig torr drift, dvs. är underhållsfria under hela sin livslängd. Monteringsfärdiga linjärmoduler kan levereras inom 2 - 4 dagar.

Utnyttja de tekniska produktfördelarna med vår underhållsfria drylin® drivteknik.

1.1. Beständig mot smuts, damm, fukt

Partiklarna skjuts bort från kontaktytan genom rörelsen

Detalj funktionsprincip

Beständig mot smuts, damm, fukt

Torr drift, utan smörjning

drylin® linjärlagersystem är konstruerade för smörjfri drift. Alla applikationer är därmed skyddade mot nedsmutsning genom fett och olja. T.o.m. användning i grov smuts och sand är möjlig.

igus® testad

Okänslig mot smuts

Smutspartiklarna skjuts bort från kontaktytan genom själva rörelsen. Glidstyckenas ändyta fungerar här ungefär som en avstrykare. Själva kontaktytan förblir ren.

Användningsexempel

Anläggning för blöjtillverkning

I anläggningarna används superabsorbenter och cellulosa, som ger en relativt hög smuts- och dammbildning. Superabsorbenter beter sig dessutom ungefär som sand, vilket gör att det bildas smuts till följd av friktion.

1.2. Tyst

Detalj funktionsprincip

Lugn och tyst drift

tysta

Även driften blir avsevärt tystare med funktionsprincipen "glida istället för att rulla". Ingen mekanisk avrullning av hårda motgående material, inga höga driftljud förorsakade av sammanstötning mellan kulorna.

igus® testad

Tyst

Glidrörelsen är ytterst tyst och åtföljs endast av ett lågt glidljud.

Användningsexempel

Avkänning av bankanter

Formatjustering av sensorerna för avkänning av bankanter och tryckmärken med drylin® SLW linjärbordslösning med lägesindikator och handratt (bekväm och reproducerbar positionering utifrån).

1.3. Rent och hygieniskt

Detalj funktionsprincip

Lugn och tyst drift

Rent och hygieniskt

iglidur® glidlager är fördelaktiga inte bara i smutsig miljö. Även i applikationer där det ställs höga krav på hygien och renhet är avsaknaden av smörjning ett viktigt kriterium.

Testat

Lämpligt för renrum

De testade drylin® styrningarna uppvisar en entydig lämplighet för renrum. Följande drylin® styrningar från igus® har undersökts: N40, W10, T25 och T30.

Användningsexempel

Kodare

P.g.a. sin avsaknad av smörjmedel används drylin® spindellinjärbord med lägesindikator och handratt i en kodare för märkning av ost.

1.4. Korrosionsfri

Detalj funktionsprincip

Korrosionsegenskaper

Korrosionsfri och mediebeständig

Alla iglidur® plastlager är korrosionsfria genom sin konstruktion. Dessutom finns det specialister som även kan användas under mycket tuffa förhållanden i medier som lutar, syror, rengöringsmedel etc. p.g.a. sin höga mediebeständighet. - Specialister för varaktig användning under vatten finns också i sortimentet.

igus® testad

Korrosionsfri och mediebeständig

Korrosionsfri enhet

Linjärlagersystemens beständighet är lika mycket beroende av det motgående materialet. igus® byggsats kan levereras som komplett korrosionsfri enhet av rostfritt stål.

Användningsexempel

Inspektionssystem

drylin® SLW eller SHT spindellinjärbord för höjdjustering av kameror och sensorer.

2. Glidlagermaterial

Material för alla axelmaterial, optimala nötningsvärden.

Detalj funktionsprincip

Nötningsbeständiga - glidlagerfolier av högpresterande polymerer

Högpresterande polymerer

SLW linjärmoduler kan konfigureras och levereras i passande glidlagermaterial allt efter behov. Standardmässigt konfigureras SLW system med lager av det nötningsbeständiga materialet iglidur® J/J200. För applikationer som kräver en extrem kemikaliebeständighet utgör lager och gängmuttrar av materialet iglidur® X i kombination med rostfritt stål det bästa alternativet. Materialet iglidur® A180 uppfyller FDA-kraven och lämpar sig i synnerhet för applikationer inom livsmedels-/läkemedelsområdet.

igus® testad

Glidfoliematerial

iglidur® J

standardmaterialet

bästa nötningsvärden

bra nötningsbeständighet

mycket låg fuktupptagning


iglidur® J200

optimalt med aluminium

låga friktionskoefficienter

excellenta nötningsvärden med anodiserat aluminium


iglidur® A180

uppfyller FDA-kraven

för direkt omgivning (eller kontakt) med livs- och läkemedel

låg fuktupptagning


iglidur® X

extrema temperaturer från -100 till 250 °C

universell kemikaliebeständighet

hög tryckhållfasthet

igus® testad

Utförliga laboratorietester och flera års praktiska erfarenheter har visat att iglidur® J, J200, X och A180 är de optimala materialen för de flesta linjära applikationer p.g.a. sina goda nötnings- och friktionsegenskaper.

3. Val av optimalt huslagermaterial

Olika huslagermaterial att välja bland

Pressgjuten zink: kostnadseffektivt standardlager

Aluminium: lägre komponentvikt

Rostfritt stål: korrosionsbeständigt och lämpligt för höga temperaturer

Turn-to-fit mekanism: Manuell spelinställning genom "turn-to-fit" funktion


4. Urval av gängor

Gängtyper

Nötningsbeständiga - glidlagerfolier av högpresterande polymerer

Trapetsgänga

SLW linjärmoduler förses standardmässigt med trapetsgängade spindlar med en gänga och är självlåsande. Dvs. flankvinkeln och glidfriktionen gör att mutter och spindel inte kan röra sig utan inverkan av yttre krafter. Vagnen stannar kvar i den valda positionen. Som motgående material till de smörjfria drylin® trapetsgängade muttrarna finns spindlar i stål C15, korrosionsbeständigt rostfritt austenitiskt stål (1.4301/1.4305) samt belagt aluminium.

Gängtyper

Gänga med hög stigning

För snabba justerings- och positioneringsuppgifter kan drylin® linjärmoduler med spindlar med hög gängstigning monteras. Spindlar med hög gängstigning tillverkas av korrosionsbeständigt rostfritt stål (1.4021) och är inte självlåsande. Därmed lämpar de sig för applikationer där linjärvagnar ska kunna flyttas snabbt manuellt.

Användningsexempel

Formatjustering

Användning i glasindustrin. Formatjustering på transportband för separering av flaskor.

5. drylin® W profilskenor

... hårdanodiserat aluminium
... rostfritt stål (storlek 1040 & 2080)

Detalj funktionsprincip

Nötningsbeständiga - glidlagerfolier av högpresterande polymerer

Optimala driftegenskaper

Linjärmoduler av serierna SLW, SAW och ZLW bygger på den smörjfria drylin® byggsatsen. De ytterst vridstyva aluminiumprofilerna är strängpressade. Ytan är hårdanodiserad och utmärker sig genom goda nötningsegenskaper, hög kemisk beständighet och hårdhetsgrad. Som motgående material för våra högpresterande dry-tech® polymerer garanterar de optimala driftegenskaper, beräkningsbara och med lång livslängd.

Användningsexempel

Korrosionsbeständigt

I miljöer som kräver absolut korrosionsbeständighet finns SLW-moduler av rostfritt stål baserade på styraxlar av materialet V4A (1.4571).

igus® urvalsverktyg

Produktfinder drivteknik

Jämför, konstruera och konfigurera linjärenheter snabbt och enkelt online.
 

 
Experten & livslängdsberäkning Aldrig förr har det varit så enkelt att välja drylin® linjärlager.

6. 7 storlekar 7 vagnsbredder

SLW linjärmoduler finns i olika 7 storlekar. Från storlek 06 -25 erbjuder SLW-serien den linjärmodul du behöver i passande storlek.

Dubbelskena fyrkantig

Storlek 30: 54 mm

Dubbelskena rund

Storlek 1040: 73 mm
Storlek 1080: 107 mm
Storlek 1660: 104 mm
Storlek 2080: 153 mm
Storlek 25120: 195 mm

7. Val av optimal vagnslängd

SLW linjärmoduler kan förses med olika långa vagnar för ett optimalt stödmoment. En lösning med flera vagnar är möjlig i alla storlekar.
Storlek 06: 60/80/100
Storlek 1040: 69/100/150
Storlek 1080: 100/150/200
Storlek 10120: 100/150/200
Storlek 1660: 100/150/200
Storlek 2080: 150/200/250
Storlek 25120: 150/200/250

8. Olika slaglängder

Detalj funktionsprincip

Olika skenor levererbara

Konfigurerat exakt på millimetern

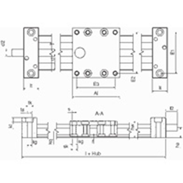
SLW linjärmoduler kan konfigureras exakt på millimetern och kan därmed anpassas perfekt efter kundens behov.

Detalj funktionsprincip

Maximala slaglängder

De maximala slaglängderna är beroende av installationsstorlekarna.
 
Storlek 0630: 300 mm
Storlek 1040: 750 mm
Storlek 1080: 750 mm
Storlek 1660: 750 mm
Storlek 2080: 1000 mm
Storlek 25120: 1250 mm

Detalj funktionsprincip

Lugn spindel för slaglängder >750 mm

Med dessa spindelstöd, som åker med styrvagnen och positionerar sig automatiskt på olika ställen längs slaglängden, kan användaren nu genomföra långa slaglängder > 750 mm utan problem.

9. Skenans diameter

Dubbelskena fyrkantig

Storlek: 06 mm

Dubbelskena rund

Storlek: 10mm, 16 mm, 20 mm, 25 mm

11. Tillbehör/tillval

Tillbehör för justeringen

En mängd olika tillbehör

Manuell justering

För snabb och bekväm genomföring av manuella justeringar finns det omfattande tillbehör för drylin® SLW linjärmoduler. Vid direkt konfiguration med linjärenheten sker leveransen i komplett monterat skick.
Lägesindikator

Spindelklämfäste

Handratt

Vinkeldrev

Tillbehör för justeringen

Motordriven justering

Linjärmoduler i SLW-serien kan konfigureras och levereras monteringsfärdiga med drylin® E steg- eller likströmsmotorer. Dessutom finns ett stort tillbehörssortiment med motorkits, chainflex motorkablar, induktiva givare, transmissioner eller adapterplattor för portalkonstruktioner.

Användningsexempel

drylin® E - "E" som elektrisk

Den konsekventa vidareutvecklingen av byggsats- och systemkonceptet hos den smörjfria drylin® linjärtekniken.
 
Jämför, dimensionera och konfigurera lämpliga linjärbord snabbt och enkelt online.

Mer information:


Beställ varuprov



Termerna "Apiro", "AutoChain", "CFRIP", "chainflex", "chainge", "chains for cranes", "ConProtect", "cradle-chain", "CTD", "drygear", "drylin", "dryspin", "dry-tech", "dryway", "easy chain", "e-chain", "e-chain systems", "e-ketten", "e-kettensysteme", "e-loop", "energy chain", "energy chain systems", "enjoyneering", "e-skin", "e-spool", "fixflex", "flizz", "i.Cee", "ibow", "igear", "iglidur", "igubal", "igumid", "igus", "igus improves what moves", "igus:bike", "igusGO", "igutex", "iguverse", "iguversum", "kineKIT", "kopla", "manus", "motion plastics", "motion polymers", "motionary", "plastics for longer life", "print2mold", "Rawbot", "RBTX", "readycable", "readychain", "ReBeL", "ReCyycle", "reguse", "robolink", "Rohbot", "savfe", "speedigus", "superwise", "take the dryway", "tribofilament", "tribotape", "triflex", "twisterchain", "when it moves, igus improves", "xirodur", "xiros" och "yes" är rättsligt skyddade varumärken som tillhör igus® SE & Co. KG/Köln i Förbundsrepubliken Tyskland och i förekommande fall i vissa andra länder. Detta är en icke uttömmande lista över varumärken (t.ex. pågående varumärkesansökningar eller registrerade varumärken) som tillhör igus SE & Co. KG eller igus dotterbolag i Tyskland, Europeiska unionen, USA och/eller andra länder eller jurisdiktioner.

igus® SE & Co. KG hänvisar till att vi inte säljer några produkter från företagen Allen Bradley, B&R, Baumüller, Beckhoff, Lahr, Control Techniques, Danaher Motion, ELAU, FAGOR, FANUC, Festo, Heidenhain, Jetter, Lenze, LinMot, LTi DRiVES, Mitsibushi, NUM, Parker, Bosch Rexroth, SEW, Siemens, Stöber och alla andra drivenhetstillverkare som nämns på denna webbplats. De produkter som igus® erbjuder är produkter från igus® SE & Co. KG